Costica Tv Postat Iunie 9, 2022 Partajează Postat Iunie 9, 2022 Acum 2 ore, POLAKU2002 a spus: Da Ti-am trimis un mesaj acum 2 ore si ceva dar vad ca nu te intereseaza...... Link spre comentariu
Letcon Postat Iulie 1, 2024 Partajează Postat Iulie 1, 2024 Buna dimineata, Starlight 32DM3500 cu TP.S506 PB819 defecta...mai exact optocuplorul si tranzistorul mic smd de langa optocuplor explodat, cel putin la prima vedere. Acum intrebare: merge inlocuita TP.S506 PB819 cu TP.S506 PB818 doar cu o modificare de soft sau mai simplu cu un CA-888? Mersi. Link spre comentariu
antonvasileeee Postat Iulie 1, 2024 Partajează Postat Iulie 1, 2024 Acum 53 minute, Letcon a spus: tranzistorul mic smd de langa TL 431 Trebuie verificata configuratia invertorului de led . Teoretic muti doar memoria . Link spre comentariu
iuliantv Postat Iulie 1, 2024 Partajează Postat Iulie 1, 2024 1 oră în urmă, antonvasileeee a spus: TL 431 Trebuie verificata configuratia invertorului de led . Teoretic muti doar memoria . practic din experienta mea 819 cu 818 folosesc tunere diferite,nu va merge tunerul Link spre comentariu
antonvasileeee Postat Iulie 1, 2024 Partajează Postat Iulie 1, 2024 Sunt aproape 4 ani de cand am plecat din depanero . Am inceput sa uit detaliile . Acum 1 oră, antonvasileeee a spus: TL 431 Trebuie verificata configuratia invertorului de led . Link spre comentariu
Letcon Postat Iulie 1, 2024 Partajează Postat Iulie 1, 2024 Posibil sa am si o placa 819 dar cu alt defect...poate reusesc sa fac din 3 una buna Link spre comentariu
antonvasileeee Postat Iulie 1, 2024 Partajează Postat Iulie 1, 2024 (editat) Mai usor repari sursa celei din tv , mutand toate piesele de pe o placa pe alta . Ma refer si la primar si la feedback , evident dupa ce masori tot ce e de masurat la fiecare pas . QAm intanit trasnite cu tl optocuplor si divizor defecte , dar si cu optocuplor explodat si defect propagat si in primarul sursei . Daca nu te descurci , pune placa buna si o sa gasim soft sau dump . Editat Iulie 1, 2024 de antonvasileeee Link spre comentariu
Letcon Postat Iulie 1, 2024 Partajează Postat Iulie 1, 2024 Da, m-am gandit sa inlocuiesc doar optocuplorul si TL-ul de pe placa originala dar la cat de norocos sunt nu-mi fac sperante mari de functionare Altceva defect, masurat la rece nu am gasit la prima verificare, dar tre sa verific mai bine rezistente smd din jurul lui TL, desi nu stiu valorile exacte. In primar pare ok placa, cel putin pana in condensatorul de filtraj unde am cei 300+ volti. Link spre comentariu
dan-a2 Postat Iulie 1, 2024 Partajează Postat Iulie 1, 2024 Daca are mufa de alimentare la 12 volti incercati cu un alimentator potent 5amp si vedeti daca functioneaza ok ,daca da montati un modul ca888 Link spre comentariu
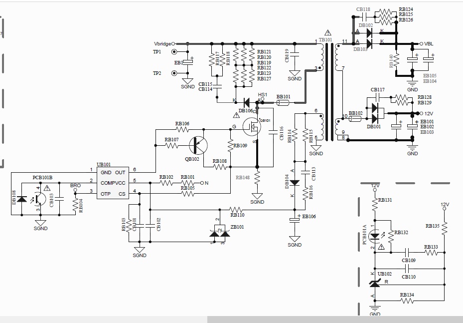
Letcon Postat Iulie 1, 2024 Partajează Postat Iulie 1, 2024 (editat) Dupa mai multe incercari de a repara placa, mutat optocuplor de pe o placa pe alta, verificat diode...etc am vazut conectorul de 12V extern... Pus 12V...tv,ul porneste ok dar nu are backlight...probabil sursa nu are curent destul... Later edit: probat cu sursa 12V, 5A de calitate ce are Laviniu la vanzare...tot nu vrea sa se aprinda backlight... Cu TP.S....818 e ok backlight dar cu cele 2 819 defecte nu vrea. Editat Iulie 1, 2024 de Letcon Link spre comentariu
validae Postat Iulie 1, 2024 Partajează Postat Iulie 1, 2024 Măsoară tensiunea la mufa de leduri, cu tv-ul în st-by și după pornire, practic pui multimetrul pe mufă și dai comanda On. Ar trebui ca inițial acolo să ai 12V și după ce tv-ul pornește, tensiunea să crească la o valoare mult mai mare.Dacă face asta și după scurt timp scade iar la 12V, ai led întrerupt, sau contacte imperfecte, iar invertorul de backlight intră în protecție (OVP). Link spre comentariu
vioreldascalu49 Postat Iulie 1, 2024 Partajează Postat Iulie 1, 2024 La iesirea sursei ai doua tensiuni iar tu probabil ai alimentat numai una cea de 12v nu si cea de backlight. Link spre comentariu
Letcon Postat Iulie 1, 2024 Partajează Postat Iulie 1, 2024 Exclus led,uri defecte deoarece cu placa TP.S....818 backlight-ul e ok. Placa originala 819 are un conector de Pwr upgrade cu 2 pini...ptr o tensiune simpla de 12v. Nu am unde sa alimentez separat backlight Link spre comentariu
iuliantv Postat Iulie 1, 2024 Partajează Postat Iulie 1, 2024 (editat) Acum 7 minute, Letcon a spus: Exclus led,uri defecte deoarece cu placa TP.S....818 backlight-ul e ok. Placa originala 819 are un conector de Pwr upgrade cu 2 pini...ptr o tensiune simpla de 12v. Nu am unde sa alimentez separat backlight ce e asa de greu? asemenea teste sau surse permanente aplicam inca de la aparitia acestor televizoare led,fara a gasi pe forumuri sau a consulta forumuri si inca nu auzisem de module gen ca888,nu stateam sa ,,buchisesc,, un ic debia vizibil si ce nu se gasea pe la noi sursa genereaza 2 tensiuni 12v si una pentru backlight 17v sau chiar mai mult,pe ambele iesiri se aplica 12v din aceeasi sursa in 80% merg ok tensiunea necesara pentru alimentarea ledurilor e generata de o alta sursa(in general de curent constant)ce se alimenteaza dintr.o tensiune mai mica gen 17v deci nu va speriati ca pentru leduri e necesar cca 36 volti la 2 barete cu 6 leduri de 3v. si dv nu aveti in sursa externa decat 12v Editat Iulie 1, 2024 de iuliantv Link spre comentariu
Postări Recomandate
Creează un cont sau autentifică-te pentru a adăuga comentariu
Trebuie să fi un membru pentru a putea lăsa un comentariu.
Creează un cont
Înregistrează-te pentru un nou cont în comunitatea nostră. Este simplu!
Înregistrează un nou contAutentificare
Ai deja un cont? Autentifică-te aici.
Autentifică-te acum