Jump to content
ELFORUM - Forumul electronistilor

Beard P100


Guest viobio

Recommended Posts

Guest viobio

Monstru de 35 kg , dual monobloc , un canal mort  din cauza unor " superbe KT88 JJ " , ceva rezistențe întrerupte și bomboana pe coliva ..... lipsa tensiunea alternativă de 460V pe canalul defect , dacă ca sucombat un traf de alimentare ....este nr suedez :rade: 

beard_p100_mk2_info_sch_4o.jpg

beard_p100_mk2_info_sch_5o.jpg

beard_p100_mk2_info_sch_6o.jpg

IMG_20190508_143911.jpg

IMG_20190508_144008.jpg

IMG_20190508_143925.jpg

Link to comment

Cei cu bobina aia pe iesire (pe una din mufele de iesire este o bobina care pare pusa ulterior)? Si soclul ala ceramic alb de la o finala pare sa fie aparut ulterior. As zice ca nu l-ai "dezvirginat" tu :rade:.

 

P.S. Cat de mari sunt trafurile de iesire?

Edited by adrian_pic
Link to comment

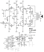
Se pare ca este un amplificator de clasa si foarte apreciat de audiofili.Dupa cate am citit,cred ca transformatoarele de iesire sunt  pe C-core,ramane sa ne lamureasca colegul @Faust2018,daca nu este ceva clasificat (!!!!)

aici: https://www.hifi-store.com/catalogue/97-beard-p100-s.html  spun cam asa

"

The Beard P 100S amplifier is superb a tube amplifier, a huge English audiophile reference, punch and musicality, finesse and neutrality at the rendezvous.

The BEARD P 100 S is very powerful with its 2x100w including 40w in pure class A. 

Of dual mono design, It is equipped with 4 KT88 and it is capable of driver any type of speakers, even low performance.

A rare collection piece and a formidable musicality."

 

Schema :

Beard-P100-KT88-PP-ed.png

 

interior fara carcasele transformatoarelor:

Beard-P100-B.jpg

 

Merita studiat acest amplificator!

Edited by LMOlimpiu
Link to comment
13 minutes ago, LMOlimpiu said:

cred ca transformatoarele de iesire sunt  pe C-core

Da, asa am vazut si eu pe net ca sunt dublu C-core. Eram curios de sectiunea miezului

 

Link to comment
22 minutes ago, adrian_pic said:

Da, asa am vazut si eu pe net ca sunt dublu C-core. Eram curios de sectiunea miezului

 

....si chiar mai multe se pot masura la aceste transformatoare: Rdc,Laa,Llk(Inductanta de scapari),valoarea capacitatii dintre primar/secundar si asta fara sa demontam nimic din amplificator.Avand pe mana asa ceva,merita aceste "cercetari".

 

L.E pana si diametrele sarmei de bobinaj se pot masura,dupa cate vad eu in poze,cat priveste cele doua bobine de pe iesiri,cred ca sunt originale.

Page03.jpg

Edited by LMOlimpiu
Link to comment
1 hour ago, LMOlimpiu said:

dupa cate vad eu in poze,cat priveste cele doua bobine de pe iesiri,cred ca sunt originale.

Totusi n-am mai vazut la alte amplificatoare cu traf pe iesire aceasta bobina pusa pe iesire. 

Link to comment

Amplificatorul are  "O AUTOMATICA " ingenioasa dar si foarte precisa pentru reglarea PSF fara a folosi aparat de masura...In spatele amplif.  exista o instructiune scrisa , semireglabile si ca indicator leduri ... facind aceste reglaje dupa acest circuit si apoi verificind curentul  din tuburi se constata ca curentul de mers in gol  50mA este riguros identic in toate cele 4 finale...Rog pe D-l VIO sa confirme cele mentionate mai sus.....In rest   Bobinele acelea sint originale nu sint puse de cineva ulterior desi in schema data de LMO nu figureaza...Au fost la mine doua la reparat si aveau acele bobine...nu cred sa fi fost coincidenta....amplificatorul  mecanic este construit ca un tanc placa frontala din placa de Al de vreo 15 mm lustruit oglinda sasiu din tabla de fier groasa ... electronic de toata jena ... un circuit inprimat mai prost facut decit trasat cu mina de un incepator , rezistente din carbon aglomerat de puteri mici legate in serie care se si incalzeau dovada ca circuitul imprimat in vecinatate lor aveau  culoarea schimbata. La un amp. cu tuburi este indicat ca rezistentele din carbon aglomerat sa fie supra dimensionate in loc de 0.5W sa fie folosite de 2W  ptr.ca rezistentele din carbon aglomerat prin incalzire in ritmul puteri  schimba valoarea modulind sunetul ...Socluri din bachelita de toata jena mai proaste decit marfa chinezeasca care din cauza incalziri tuburilor sau din cauza contactelor inperfecte erau carbonizate. .. Am un transformator de alimentare original  BEARD P100 din recuperari.... O zi buna sa aveti..

Link to comment
Guest viobio

Am gasit buba ,  adică lipsa tensiunii alternative de 460V , in   primarul fiecărui transformator de alimentare  este montat câte un termistor de 3 ohmi , termistorul era întrerupt.

Două diode din  puntea redresoare întrerupte , cineva a mai " dezvirginat " amplificatorul , am gasit in el doua diide 1N4007 , alea au crăpat , datorită capacităților mari de filtraj trebuiesc folosite diode redresoare de 3A nu 1A .

Butonul  < power switch > nu este montat ca în schema , comutatorul are două secțiuni , se folosește câte una pe fiecare canal , fiecare secțiune inchide sau deschide circuitul de alimentare anodică , sunt montate după bateria de filtrare . Sunt sigur că la acționare bubuie in incinte :nerv 

Am schimbat si soclul care se vede că este diferit de celelalte , soclul acela a fist schimbat pentru că cel initial fusese prăjit de un arc electric , așa am fost înființat , de ce a aparut arc electric acolo ???? Oscilație ? O fi rămas fără sarcină ? Nebuloasă .....

In serie cu rezistențele de 10 ohmi din catozi o să montez siguranțe de protecție , o rezistență de 10 ohmi este întreruptă , clar o finală a " tras " curent ca nebuna . O să verific si circuitul de negativare , poate lipsește o tensiune de negativare , si acolo o sa intervin , montez clasicele rezistențe intre capătul cald si. cursorul semireglabililor de bias , să nu mai rămână tuburile fără negativare .

O chestiei ciudată rezistențele de descărcare a grilelor la masă sunt de 330k , in foile de catalog pentru KT88 se recomandă 100K pentru clasă AB negativare fixă .

Este singurul amplificator PP cu KT88 care imi caldă pragul si rezistențele alea au 330K .

Edited by viobio
Link to comment

Sint mai muti ani cind am venit in contact cu acest monstru si gogu nu stia nimic despre P100 si atunci am facut o solicitare ptr. schema pe un forum strain...dupaciteva zile am  citit pe acel forum o notificare de la un tip care s-a declarat proprietar al marci si ca daca cineva va publica schema si daca mai pune in discutie  schema va fi dat in judecata  .  Ulterior am gasit schema publicata si in colectia de scheme  de unde si D-L LMO a preluat si a postat schema.  

Link to comment
Guest viobio
Acum 38 minute, tm07uxo a spus:

Amplificatorul are  "O AUTOMATICA " ingenioasa dar si foarte precisa pentru reglarea PSF fara a folosi aparat de masura...In spatele amplif.  exista o instructiune scrisa , semireglabile si ca indicator leduri ... facind aceste reglaje dupa acest circuit si apoi verificind curentul  din tuburi se constata ca curentul de mers in gol  50mA este riguros identic in toate cele 4 finale...Rog pe D-l VIO sa confirme cele mentionate mai sus.....In rest   Bobinele acelea sint originale nu sint puse de cineva ulterior desi in schema data de LMO nu figureaza...Au fost la mine doua la reparat si aveau acele bobine...nu cred sa fi fost coincidenta....amplificatorul  mecanic este construit ca un tanc placa frontala din placa de Al de vreo 15 mm lustruit oglinda sasiu din tabla de fier groasa ... electronic de toata jena ... un circuit inprimat mai prost facut decit trasat cu mina de un incepator , rezistente din carbon aglomerat de puteri mici legate in serie care se si incalzeau dovada ca circuitul imprimat in vecinatate lor aveau  culoarea schimbata. La un amp. cu tuburi este indicat ca rezistentele din carbon aglomerat sa fie supra dimensionate in loc de 0.5W sa fie folosite de 2W  ptr.ca rezistentele din carbon aglomerat prin incalzire in ritmul puteri  schimba valoarea modulind sunetul ...Socluri din bachelita de toata jena mai proaste decit marfa chinezeasca care din cauza incalziri tuburilor sau din cauza contactelor inperfecte erau carbonizate. .. Am un transformator de alimentare original  BEARD P100 din recuperari.... O zi buna sa aveti..

" Automatica " cu cele 4 AO nu este automatică , cand se aprind ledurile sau unu/unele din ele ....un tub final sau tuburile finale au facut buba , AO monitorizează căderea de tensiune pe rezistențele de 10 ohmi din catozii tuburilor finale , când căderea de tensiune crește peste un anumit prag luminează ledul , indică " broblem " cu tubul , este frectie la lampă ,  nu vezi ledul aprins cand tubul este deja rosu de furie , arde rezistență din catod , eventual dă si foc la rezistența din G2 , până la urmă se arde siguranța montată pe circuitul anodic , de asta montez siguranțe in catozi , să nu se mai ardă rezistențele in caz de tub care consumă prea mult .

Cum spuneam , circuitul ăla nu ajută la nimic , am mai intalnit astfel de circuite dar ....mai complexe , cand " vedeau " un curent prea mare întrerupeau tensiunea anodică , din ce tin minte amplificatoarele LUA6060 si Magnat RV2 au astfel de circuite .

Link to comment

Aveti  perfecta dreptate circuitul respectiv  nu ajuta la nimic legat de sunet .... da posibilitatea  clientului  mai putin pregatit  si fara a umbla in interior, de a monitoriza si  de a corecta curentul  din tuburi .. Dupa cum a-ti observat " O AUTOMATICA"  era pus in ghilimele ..Cu stima.

Link to comment
Guest viobio
Acum 30 minute, tm07uxo a spus:

Aveti  perfecta dreptate circuitul respectiv  nu ajuta la nimic legat de sunet .... da posibilitatea  clientului  mai putin pregatit  si fara a umbla in interior, de a monitoriza si  de a corecta curentul  din tuburi .. Dupa cum a-ti observat " O AUTOMATICA"  era pus in ghilimele ..Cu stima.

Utilizatorii acestor amplificatoare nu sunt ajutați cu nimic de " automatism " , tot trebuie să " agațe " un aparat de măsură pentru a regla corect curentul , dacă învârte de butoanele de pe spatele amplificatorului .....nici ăla cu coarne nu știe ce curent are prin finale , nu este nimic precis acolo , poate regla 40mA sau 100mA prin tuburi , o să măsor la ce curent prin fiale  se aprinde ledul , poate se aprinde pe la 200mA :rade: , mă repet , consider total inutil acel sistem de avertizare .

Unele amplificatoare pentru chitară , de exemplu Marshall , au două leduri montate pe spatele amplificatorului , in catozii tuburilor finale au rezistențe de 0,5w/10 ohmi , ca să poți măsură curentul prin finale , in paralel cu acele rezistențe sunt montate leduri înseriate cu 100k , când tubul final consumă extrem de mult curent se aprinde acel led , in 90% din cazuri am întâlnit rezistențele de 10 ohmi carbonizate, întrerupte , au fost special puse de 0,5w ....sunt si pe post de siguranțe , numai că nu este o plăcere să le schimbi , la unele modele de amplificatoare trebuie să demontezi tot amplificatorul pentru două rezistențe întrerupte .

Edited by viobio
Link to comment
Guest viobio

După cum se observă un semireglabil care regla biasul unui tub final .....era dat peste cap si cursorul părăsise stratul rezistiv .

Am înlocuit toți semireglabilii care reglează curentul prin tuburile finale  , am schimbat si un TL072 , avand un AO defect , AO care corespundea tubului care a rămas fără negativare .

Mufele RCA au fost si ele schimbate , cele de pe amp aveau pensetele interioare lărgite si flencăneau mufele tată in ele .

Acum vine o poveste interesantă , mă autodenunț :rade:.

Placa care se ocupă de bias a fost probată in exteriorul amplificatorului , inclusiv sistemul de monitorizare , montez placa in amp si fac ceva măsurători , să văd dacă am tensiune negativă in pinul 5 de la soclurile finalelor , la trei tuburi am 65V .....la unu doar 20V  , si nu pot crește cei 20V . Masor ici , colo , verific ....nimic ...tot 20V , dezlipesc un fir care ajunge in placa de bază....20V ..... înjur cum nu poate fi reprodus , dezlipesc firele de pe soclu ....am tensiune de 65V .....lipesc la loc .... morți , răniți ....nu mai am 65V , fumez și injur , cred despre mine că sunt imbecil , incerc să mă liniștesc .......

Vine cineva la mine să ii schimb tuburile la un amp pentru chitară , dau Beard jos de pe masă , ce vad ???? Un tub 6J8  rusesc in soclul unde aveam doar 20V tensiune de negativare  .Fac schimbul de tuburi la ampul pentru chitară , apoi revin la Beard  , scosesem tubul 6J8 din soclu ....hopa ....am 65V pe pinul cinci .Tubul 6J8 are catodul la pinul 5 , așa că tensiuea de negativare ......se ducea la masă prin rezistența de 10 ohmi . Râd ca idiotul singur in atelier :85. Cand am schimbat soclul montasem in el un tub 6J8 , să nu se miște pinii cand fac lipiturile .Amplificatorul fiind construit mai atipic ....nu poți vedea tuburile din exterior , cheia lui 6J8 fiind neagră , soclul negru , chiorâlă nu a văzut că avea un tub in soclu . Timp pierdut .....cam  o oră și jumătate .

Inductanța primarului transformatorului de iesire este 51,9H , anod-anod . 

Luni o să il probez cu KT120 până vin tuburile KT88 

IMG_20190509_174202.jpg

IMG_20190509_174210.jpg

IMG_20190509_180855.jpg

IMG_20190510_163648.jpg

IMG_20190510_174738.jpg

IMG_20190510_180144.jpg

IMG_20190510_173905.jpg

Edited by viobio
Link to comment
Guest viobio

Luni .....am pus pe amp 4XKT120 ..... sunet nașpa rău , in urma unor măsurători am constatat că tensiunile  din primele două etaje sunt în munți .Am luat hotărârea să scot placa amplificatorului și să verific piesă cu piesă .

După scoaterea plăcii din amp am constat că unele rezistențe sunt întrerupte sau devalorizate , condensatori electrolitici devalorizați , conzii de 22nF aveau 17 si 12nF . Când am văzut că este " copt " am hotărât să il reconstruiesc total , din ce a fost initial am lăsat pe placă doar punțile cu diode , condensatorii de cuplaj cu tuburile finale și cateva rezistențe .

Cand am primit amplificatorul am incercat o repunere în funcțiune cat mai ieftină , din păcate .....nu ai cum să faci bici din rahat .

Urmează asamblarea si proba , între timp am primit si 4 KT88 Haltron , nu sunt noi , au cam 80% emisie .

beard_p100_mk2_info_sch_9.jpg

IMG_20190516_200329.jpg

IMG_20190515_170845.jpg

IMG_20190515_174826.jpg

IMG_20190515_164917.jpg

IMG_20190515_160621.jpg

IMG_20190515_160626.jpg

Edited by viobio
Link to comment
Guest viobio

Finish .

Pentru cârcotașii care vor zice " de ce nu ai reglat curentul la 50mA prin finale ? " Pentru că după 15...20' urcă singur la 50mA ,  când tuburile ajung la emisia " blană " .

A fost mult de muncă , acum amplificatorul a fost reîntinerit .

IMG_20190519_120857.jpg

Edited by viobio
erori de tipar
Link to comment

Create an account or sign in to comment

You need to be a member in order to leave a comment

Create an account

Sign up for a new account in our community. It's easy!

Register a new account

Sign in

Already have an account? Sign in here.

Sign In Now
×
×
  • Create New...

Important Information

We have placed cookies on your device to help make this website better. You can adjust your cookie settings, otherwise we'll assume you're okay to continue.Terms of Use si Guidelines