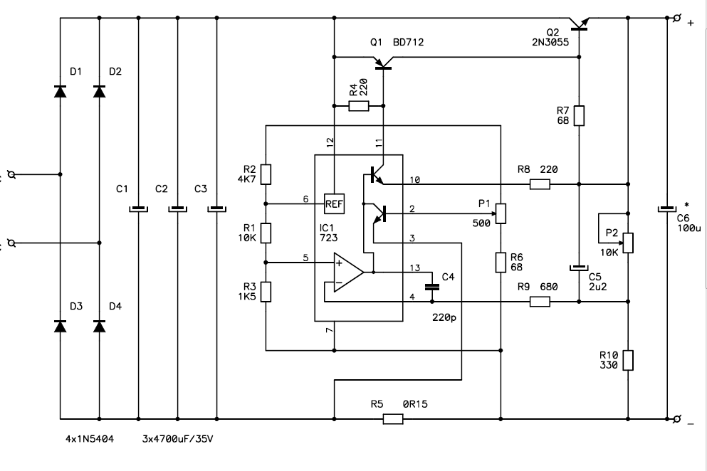
Guest dni Dani Posted January 5, 2017 Share Posted January 5, 2017 (edited) Salut ! Am facut sursa reglabila de mai jos. Problema este ca nu regleaza tensiunea, sta doar la 0.60 V. Tensiunile pe picioarele integratului masurate in raport cu masa la tensiunea de 12V: 1-200mV 14-140mV 2-0,7V 13-35mV 3-0 12-12V 4-0,6V 11-12V 5-1,3V 10-0,6V 6-7,3V 9-1,4V 7-2mV 8-1,2V Q1- TIP42C Q2- 2SC5198 Edited January 18, 2019 by dni Dani Link to comment
Guest Posted January 5, 2017 Share Posted January 5, 2017 (edited) M-am uitat in mare pe cablaj si schema. Pare in regula. Incercati sa verificati pe Q1 si Q2 apoi 723-ul daca are soclu, poate mai puneti altul de proba. Masurati si potentiometrele sa fie ok. Frumos cablajul. L-ati proiectat sau l-ati gasit?P.S. tranzistorii sunt echivalenti sigur? Atat ca tip cat si ca parametri? I-am vazut mai tarziu. Edited January 5, 2017 by Guest Link to comment
vio2007 Posted January 5, 2017 Share Posted January 5, 2017 M-am uitat in mare pe cablaj si schema. L-ati proiectat sau l-ati gasit? 1v-27v-3a-variable-dc-power-supply Link to comment
Guest Posted January 6, 2017 Share Posted January 6, 2017 Multumesc. Eram interesat de o astfel de sursa. Voi urmari cu atentie poate reusim sa ii dam de cap. Link to comment
cirip Posted January 6, 2017 Share Posted January 6, 2017 (edited) Salut,Cu 1.3V pe pinul 5 si 0.6V pe pinul 4, iesirea 13 trebuia sa fie aproape de sursa de alimentare. In schimb ati masurat 35mV. Asta ma face sa suspectez ca integratul este defect. Este ciudat, totusi, ca tensiunea de referinta din pinul 6 este corecta.Incercati cu alt integrat, daca aveti, si postati din nou tensiunile la pini si la terminalele tranzistoarelor. Presupun ca tranzistoarele sunt montate corect. Tensiunile la terminale ar putea sa confirme montarea corecta.Bafta! Edited January 6, 2017 by cirip Link to comment
anonimus Posted January 6, 2017 Share Posted January 6, 2017 Salut,Cu 1.3V pe pinul 5 si 0.6V pe pinul 4, iesirea 13 trebuia sa fie aproape de sursa de alimentare. In schimb ati masurat 35mV. Asta ma face sa suspectez ca integratul este defect. Pe mine nu ma face deloc să suspectez asta. Oare de ce? Simplu, observ că pe pin 2 are 0,7V, așa ca e normal ca pe pinul 13 sa aiba doar 35mV, adică sursa merge în regim de protecție în acest moment Adica omul ori a folosit componente recuperate din radioul bunicului și a băgat un pot (P1) la care e întrerupt capătul rece, ori R6 e întreruptă, ori C-ul de la ieșire e în scurt, ori...ori.... Multumesc. Eram interesat de o astfel de sursa. Voi urmari cu atentie poate reusim sa ii dam de cap. Cu plăcere, i-am dat de cap! Mulți nu vor încă să înțeleagă că nu se poate numi electronist unul ce face cablaje și lipește niște piese pe o placă (aia e un fel de tinichigerie) ci cel ce înțelege modul de funcționare al unui montaj Link to comment
Marian Posted January 6, 2017 Share Posted January 6, 2017 Nu zice "hop" inainte sa sari santul... Momentan ai lansat doar niste ipoteze ( destul de pertinente este adevarat ), ramane sa fie probate de autorul topicului. Pe mine ma nedumereste o chestiune, pe pinul 7 sunt 2mV ( prin asociere, curentul prin shunt cam 13mA ), adica practic e pus la masa alimentarii, pe pinul 6 referinta este cea corecta, de 7,3V ( desi la maximul posibil din pdf ), iar la pinul 5 conform valorilor din schema ar trebui sa fie de 7,66666... ori mai putin, adica 952mV ( sau ceva de genul ), numai ca s-au masurat la pinul 5 1,3V, si nu sunt sigur de unde pana unde, pinul 5 este o intrare de impedanta mare, nu poate influenta valoparea citita acolo. Posibil ca valorile acelui divizor sa nu fie cele din schema, ori posibil integratul defect, habar n-am, alta explicatiune n-am. Oricum faptul ca prin shunt este un curent nesemnificativ, rezulta ca iesirea e in gol, daca limitarea este cea care blocheaza functionarea atunci singura explicatie pe care o gasesc este intr-adevar ceva probleme la pinul rece la P1 sau la rezistenta inseriata cu el. Se poate proba deconectand pinul 2 de tot de la potentiometru, si legandu-se direct in scurt cu pinul 3, asa se anuleaza protectia si daca asa sursa functioneste se stie unde sa se caute problema. LE: Cam mult cfp acolo... Link to comment
Barbu Paul Posted January 6, 2017 Share Posted January 6, 2017 Daca masuratoarea s-a facut atunci când cursorul potentiometrului P1 era la capatul dinspre R2, atunci valoarea tensiunii in pinul 2 al integratului poate atinge valoarea de 0,7V. Cu stima Barbu Paul Link to comment
Guest Posted January 6, 2017 Share Posted January 6, 2017 cablajul e 1 la 1? ce dimensiune are cablajul dvs? Link to comment
VAX Posted January 6, 2017 Share Posted January 6, 2017 Intotdeauna cand repar montaje cu amplificatoare operationale (sau care contin structuri de AO), care lucreaza in regim liniar, verific daca pe intrarile inversoare si neinversoare sunt tensiuni egale. Altfel ma asigur ca AO nu este blocat (iesirea la +Vcc sau la -Vee) si ca isi face treaba corect. In cazul de fara cele doua tensiuni (pe I+ si I-, pinii 5 si 4) sunt total diferite. Rezulta ca tranzistorul de la circuitul de limitarea curentului de iesire este in saturatie si din acest motiv la iesirea din AO (pinul 13) tensiunea este atat de mica. Normal trebuie sa creasca pana cand tensiunea pe intrarea (I-) a AO devine egala cu cea de pe intrarea (I+), adica 1,3V. Este suspect circuitul de limitare a curentului (schema diferita de cea din catalogul de aplicatii), pare sa fie cu intoarcerea caracteristicii de iesire. Sa se deconecteze tranzistorul de limitarea a curentului (pinii 2 si 3 lasati in aer) si daca stabilizatorul incepe sa mearga, inseamna ca de acolo este defectul. Daca veti rabdare, simulati functionarea circuitul cu un program potrivit si vedeti cum lucreaza circuitul de limitare a curentului. Link to comment
Guest Posted January 6, 2017 Share Posted January 6, 2017 (edited) Am facut si eu cablajul pe genunchi, cu ce am avut pe acasa. Metoda fierului de calcat fara hartie foto, direct pe a4 normala; Am mai tras cu o carioca peste. Aparent este ok dar la microscop am gasit mici atingeri. Se va rectifica prin zgariere. Promit un filmulet interesant prin care vom putea vedea fata nrvazuta a unui cablaj diy. Edited January 6, 2017 by Guest Link to comment
Guest Posted January 6, 2017 Share Posted January 6, 2017 Sa speram ca va fi un link valid. Sunt anuntat ca va fi postat aici noul meu video care este in curs de upload. Link to comment
Guest Posted January 10, 2017 Share Posted January 10, 2017 (edited) Am facut-o dupa cablajul tau, pe genunchi, cu ce am avut prin debara si merge. Nu am gasit toate rezistentele ca in schema dar le-am obtinut (aproximativ) prin inseriere sau legare in paralel pe ici pe colo. Maine o sa vad mai multe despre ce ii poate capul. Trebuie sa o racesc, sa o pun intr-o carcasa, dar mai dureaza. O sa revun cu poze si poate un mic film. Test in gol azi. https://youtu.be/t0BuYcBd-AE Recunosc, asta e cel mai prost cablaj pe care l-am facut. Am gasit cablaje mai vechi prin trusa, nepopulate, dar aveau muchii nu spoiala ca asta. Schema asta a reusit din prima. Poate in viitor o sa o refac pe un cablaj cu pasiune si chiar cu hartie foto... . Edited January 10, 2017 by Guest Link to comment
Guest Posted January 11, 2017 Share Posted January 11, 2017 https://youtu.be/oQmb-KZtAoMSi un test in sarcina. Scuzati voltmetrul legat invers, ma interesa strict cantitativ cat duce. Link to comment
albasete Posted January 12, 2017 Share Posted January 12, 2017 Fane, vad ca tie ti-a mers montajul din prima. Dani a facut ceva ? Felicitari. Cred ca-l fac si eu. Link to comment
Recommended Posts
Create an account or sign in to comment
You need to be a member in order to leave a comment
Create an account
Sign up for a new account in our community. It's easy!
Register a new accountSign in
Already have an account? Sign in here.
Sign In Now